At NorthForge3D, every design choice we make for the Deuce—our dual-gantry, CoreXY/IDEX 3D printer—is intentional.
One of the biggest decisions in a high-precision motion system is the step angle of the stepper motors driving the X, Y, and Z axes.
For the Deuce, we chose 0.9° stepper motors rather than the more common 1.8° variants.
Here’s why that choice matters—and how it leads to finer control, smoother motion, and higher-quality prints.
What Is a 0.9° Stepper Motor?
Stepper motors rotate in very small increments called steps.
A standard 1.8° motor rotates 360° in 200 steps.
A 0.9° motor rotates 360° in 400 steps—double the mechanical resolution.
This means smoother motion, finer positional accuracy, and more control over tiny movement increments long before microstepping is applied.

Why Finer Step Angle Matters in the Deuce
1. Higher Native Resolution
Because 0.9° motors provide twice the steps per revolution, the controller can position the toolhead with finer mechanical precision.
In a dual-gantry printer like the Deuce—where both toolheads must move smoothly, predictably, and accurately—this added resolution offers a measurable advantage.
2. Smoother Motion and Lower Vibration
With half-sized steps, the motor transitions more smoothly between positions, reducing vibration.
This is supported by real-world engineering commentary:
“Smaller step angles… make fine movement of the stepper motor and result in higher resolution… ideal for applications such as 3D printers.”
— Mechtex
Lower vibration directly improves print surface quality—especially for curved surfaces and fine details.
3. Better Surface Finish in High-Detail Printing
“The Moons’ 0.9° motor produced exceptional surface finish… the 0.9° motors… still produced cleaner prints.”
—
Prusa Community Threads
While this is community-based evidence (not a formal lab study), it aligns with the mechanical reality:
smaller native step increments reduce micro-artifacts such as ringing and vertical fine artifacting (VFA).
4. Improved Control in a Dual-Gantry/IDEX Motion System
The Deuce uses two independent toolheads on separate gantries.
Synchronizing motion, maintaining positional accuracy, and avoiding artifacts is far easier when each axis can be controlled in finer increments.
A 0.9° motor allows the firmware to “trim” motion more precisely—resulting in cleaner dual-tool transitions and smoother tool changes.

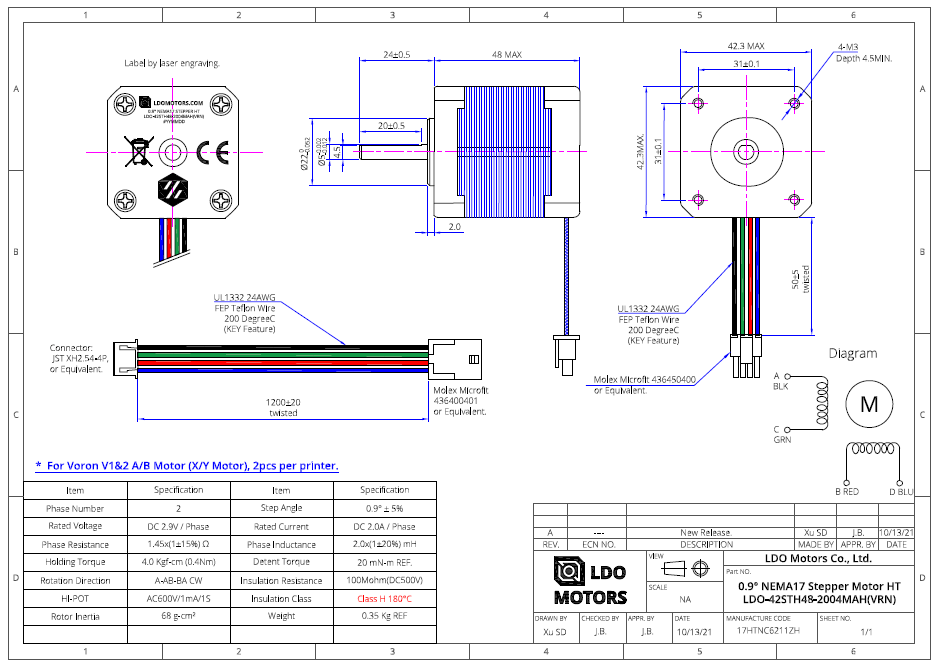
Why We Chose the LDO 42STH48 Series Motors
For the first production release of the Deuce, we selected the LDO Motors 42STH48 series because they offer:
- 400 steps per revolution (0.9°)
- High torque in a compact 48 mm NEMA-17 form factor
- Excellent thermal handling
- Proven reliability in high-end CoreXY designs
Their reputation in the 3D printing community—and consistent spec quality—make them the ideal choice for a premium dual-gantry build.
Trade-Offs and Considerations
There are a few things to account for when choosing 0.9° motors:
- Higher pulse rate required — your motion controller must output twice as many steps.
- Slight torque reduction at high speed — more steps per rev can reduce peak RPM torque.
- Driver tuning is more sensitive — current, microstepping, and cooling matter more.
- Cost — 0.9° motors are more expensive, especially in higher-temperature variants.
For a printer like the Deuce—designed for precision and surface quality—the trade-offs are absolutely worth it.
What It Means for Deuce Users
A Deuce equipped with 0.9° motors provides:
- Smoother motion with reduced micro-vibration
- Sharper corners and cleaner small features
- Better detailing on curved surfaces and organic shapes
- Cleaner dual-tool handoff in IDEX mode
- Higher repeatability in toolhead synchronization

How We Implement 0.9° Motors in the Deuce
Our current configuration uses:
- LDO 42STH48-2004MAH 0.9° motors on X and Y
- Custom-ordered 0.9° Z motors paired with T8×4 (2-start × 2) leadscrews
- Tuned microstepping (1/32 or 1/64 depending on print mode)
- Optimized current and cooling profiles
This setup allows us to leverage the improved resolution while keeping torque, acceleration, and print speed balanced.
Conclusion
Choosing 0.9° stepper motors is a key decision in achieving the high-precision performance we’re targeting in the Deuce dual gantry printer.
With smoother motion, finer detail, and better dual-tool calibration, these motors play a major role in the print quality and reliability we expect from a premium North American-engineered 3D printer.
Stay tuned—soon we’ll publish a follow-up comparing 1.8° vs 0.9° motors with real print samples directly from the Deuce.
